Kubota B3350 Parts Diagram Kubota B3030 Cab: Why Does The Op
Kubota u25 parts diagram Kubota b3350 dpf delete Kubota electrical wiring diagram
Kubota B3350 DPF Delete - TM AG Tuning
Kubota la350 loaders_and_buckets parts manual catalog pdf download Kubota b3350 problems Parts for kubota b5000
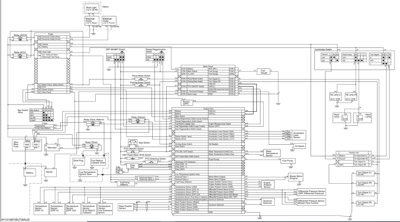
Kubota b3350 wiring diagram
Kubota la350 parts manual2016 kubota b3350 Kubota b3350 cranks no start no fuelKubota b3350.
Kubota la350 loader parts manualKubota parts for b3200 Kubota tractordataKubota la534a (loader for b2650/b3350) parts diagrams.

Kubota b3350 wiring diagram
Kubota b3350 walk aroundKubota b6200 ignition schematron Exploring the components: kubota b3350 parts diagramKubota b2650 parts manual pdf.
Kubota b3030 cab: why does the opc fuse keep blowing?Kubota b7100 parts diagram Best kubota b2650 b3350 b3350su tractor operators manual by docsKubota b3350 wiring diagram.

Kubota b3350 replacement parts – fab heavy parts
Kubota diagram wiring l2501 fuse opc b3030 panel cab amps labeledKubota tractor l3350 parts manual #0084 kubota b3350 hsd w/cab and loader $26900.00B3350 problems.
Kubota b3350 wiring diagramKubota b3350 compact tractors price, specs, features, review: kubota Kubota b3350 b3350su tractor all service repair manualExploring the components: kubota b3350 parts diagram.

Exploring the components: kubota b3350 parts diagram
Tractordata.com kubota b3350 tractor photos informationKubota tractor b2650 Kubota tractor b2650 b3350 b3350su operators manualKubota b7100 diagrams extensive.
Kubota b3350Kubota la350 parts manual .







