Ktm Lc4 Wiring Diagram Wiring Harness For Ktm 640 Lc4 Superm
Ktm offroad & enduro: 2002 ktm 640 lc4 ledningsnet i farver. Robe été taille empire: [41+] schema elettrico ktm 640 lc4 Ktm lc4 wiring diagram
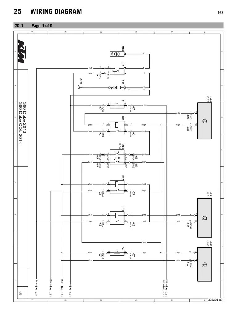
[DIAGRAM] Ktm 640 Lc4 Wiring Diagram - MYDIAGRAM.ONLINE
Ktm lc4 wiring diagram Ktm lc4 enduro Ktm lc4 harness
Ktm supermoto harness
Ktm 350 exc-f electrical schematic[diagram] ktm 620 96 wiring diagrams Wiring diagram ktm lc4My ktm lc4 was attempted stolen tonight. wires are cut, need advice.
Ktm lc4 wiring diagramRobe été taille empire: [41+] schema elettrico ktm 640 lc4 Ktm wiring diagramKtm 640 lc4 electric problems solved (corrected wiring schematic).

Mistake in ktm wiring diagram on ktm 640 adv 2007
[diagram] ktm 640 lc4 wiring diagramKtm lc4 wiring diagram [diagram] ktm 640 lc4 wiring diagram[diagram] ktm 620 96 wiring diagrams.
Lc4 ktm supermoto cylinderKtm lc4 harness Ktm lc4 spare parts manualWiring harness for ktm 640 lc4 supermoto orange 2004 # ktm.
![robe été taille empire: [41+] Schema Elettrico Ktm 640 Lc4](https://i2.wp.com/www.ricambi-ktm.it/thumbs/ktm/img/1222/900_900/IMPIANTO-ELETTRICO-KTM-KTM-640-2001-ADVENTURE-640-ADVENTURE-R-16.png)
Ktm fiche finder cylinder head 640 lc4 spare parts for the ktm 640 lc4
[diagram] ktm lc4 wiring diagramWiring harness for ktm 400 lc4-e 2000 # ktm Ktm lc4 wiring diagramJohn deere 425 wiring diagram.
⭐⭐⭐++ peugeot partner wiring diagram download references⭐⭐⭐Ktm lc4 400-660lc42003 engine. manual Ktm 690 smc r 2023[diagram] ktm lc4 wiring diagram.

Wiring diagram 1995 ktm lc4
Robe été taille empire: [41+] schema elettrico ktm 640 lc4Ktm lc4 400-660lc42003 engine. manual 2001 ktm 640 lc4 wiring diagramWiring harness for ktm 640 lc4 1999 # ktm.
Ktm lc4 400-660lc42003 engine. manualComplete diagram of 2005 ktm 450 exc wiring harness Ktm adv mistake klonu electricalKtm lc4 wiring.

![[DIAGRAM] Ktm 640 Lc4 Wiring Diagram - MYDIAGRAM.ONLINE](https://i2.wp.com/www.repairmanual.com/wp-content/uploads/1998-2005-KTM-400-660-LC4-Engine-Repair-Manual-Paper_Page_2.jpg)


![[DIAGRAM] Ktm 620 96 Wiring Diagrams - MYDIAGRAM.ONLINE](https://i2.wp.com/drduck.smugmug.com/photos/163939619_kQacU-O.jpg)


